
![]() |
![]() |
![]() |
![]() |
![]() |
![]() |
![]() |
![]() |
![]() |
| KTS(W) | KTM(W) | ||
|---|---|---|---|
| 仕様 | 制御方法 | PLC&PC | PLC&PC |
| 位置決め精度(mm)(度) | 0.5 | 0.5 | |
| 分解能(mm)(度) | 0.0005 | 0.0005 | |
| モーター種類 | 42mm5相ステッピングorAC | 42mm5相ステッピングorAC | |
| トルク(Nm)推力(N) | 0.9 60N | 0.9 60N | |
| 据付方向 | 360° | 360° | |
| 見積もり | |||
| KTL(W) | KTX(W) | ||
| 仕様 | 制御方法 | PLC&PC | PLC&PC |
| 位置決め精度(mm)(度) | 0.5 | 0.5 | |
| 分解能(mm)(度) | 0.0005 | 0.0005 | |
| モーター種類 | 42mm5相ステッピングorAC | 42mm5相ステッピングorAC | |
| トルク(Nm)推力(N) | 0.9 60N | 0.9 60N | |
| 据付方向 | 360° | 360° | |
| 見積もり | |||
![]() |
| KTS-RS | KTM-RS | KTL-RS | KTX-RS | ||
|---|---|---|---|---|---|
| 仕様 | A寸法 | -- (mm) | -- (mm) | -- (mm) | -- (mm) |
| B寸法 | 69 (mm) | 89 (mm) | |||
| 対応ストローク | 100〜200 (mm) | 200〜300 (mm) | 500〜1000 (mm) | ||
| 重量 | - (kg) | - (kg) | - (kg) | - (kg) | |
| 許容加熱温度 | ≦ 200 (℃) | ||||
| 適応機種 | KTSシリーズ | KTMシリーズ | KTLシリーズ | KTXシリーズ | |
| 見積もり | |||||
![]() |
| KTL-PT | KTX-PT | ||
|---|---|---|---|
| 仕様 | A寸法 | -- (mm) | -- (mm) |
| B寸法 | -- (mm) | -- (mm) | |
| 対応ストローク | 500〜1000 (mm) | ||
| 重量 | - (kg) | - (kg) | |
| 許容加熱温度 | ≦ 200 (℃) | ||
| 適応機種 | KTLシリーズ | KTXシリーズ | |
| 見積もり | |||
![]() |
| KTL-EH | KTX-EH | ||
|---|---|---|---|
| 仕様 | A寸法 | -- (mm) | -- (mm) |
| B寸法 | -- (mm) | -- (mm) | |
| 対応ストローク | 500〜1000 (mm) | ||
| 重量 | - (kg) | - (kg) | |
| 許容加熱温度 | ≦ 200 (℃) | ||
| 適応機種 | KTLシリーズ | KTXシリーズ | |
| 見積もり | |||
![]() |
| PP40-914-H | PP40-1219-H | ||
|---|---|---|---|
| 仕様 | ストローク | 914mm | 1219mm |
| 許容リーク量 | ≦1.33×10-11(Pa・m3/sec) | ||
| 許容加熱温度 | ≦ 250(℃) | ||
| 直進力 | 180N | ||
| 回転トルク | 4Nm | ||
| 回転角目盛 | 無し | ||
| 駆動軸径 | Φ16mm (先端M8タップ) | ||
| 接続フランジサイズ | ICF70 | ||
| 駆動方式 | マグネットカップリング | ||
|
CAD図面
(DXFファイル EXE形式) |
|||
| 見積もり | |||
![]() |
![]() |
![]() |
Xステージでは、取り付けた際の本体の内径と、使用されている導入物の外径によって、X方向への最大移動量が変化します。
以下の式に、本体の有効内径と、使用、又は導入を予定されている機器の外径寸法を当てはめることで、X方向への最大移動量を算出できます。
但し、X方向への最大移動量は≦12.5mmとなります。
d:有効内径 D:予定導入物外径 X:X方向最大移動量
※有効内径は別記の表をご参考ください。
例:有効内径:dがφ36mmで、導入物の外径:Dがφ10mmであったとき
X方向への移動:Aは・・・
X=(d−D)/2 より
X=(36−10)/2 となり
=26/2=13 となりますが、
X方向への最大移動量が、≦12.5mmである為、
X方向への移動量は 『±12.5mm』 となります。
<KXステージ移動量計算用図面>
| 形式 | ベローズ有効内径 |
|---|---|
| KX-34 | φ16mm |
| KX-34/70 | φ16mm |
| KX-70 | φ36mm |
| KX-70/114 | φ36mm |
| KX-114 | φ64mm |
※ 表の有効内径は通常の銅ガスケットを用いた場合の数値となります。
※ 有効内径は使用されるガスケットの種類によって異なります。
![]() |
![]() |
![]() |
X・Yステージでは、取り付けた際の本体の内径と使用される導入機器の外径によってX・Y方向への移動量が変化します。
以下の式に、本体の有効内径と使用、又は導入を予定されている機器の外径寸法を当てはめることで、X方向への移動量を算出できます。
但し、X(Y)方向移動量が0mmの時、Y(X)の限界移動量は≦12.5mmとなります。
はじめに・・・
・・・とします。 ※有効内径は別記の表をご参考ください。
1. D, dが既知であり、X・Y方向移動量が同じであった時の双方の最大移動量は
例1:有効内径:dがφ36mmあり、導入物外径:Dがφ10mmである時
X・Y両方向を同時に移動した場合の最大移動量:X・Yは・・・
X=Y=((d-D)/2)/√2 より
X=Y=((36-10)/2)/√2 となり
X=Y=9.19≒9.2 となります。
よって、この場合のX・Y方向最大移動量は ±9.2mm になります。
<XYステージ移動量計算用図面>
2. D, dが既知で、X≠Y且つ、Y方向移動量が既知である時のX方向最大移動量は
※ X方向移動量が既知の時は式中のX・Yを入れ替えてください。
例2. 有効内径:dがφ36mmあり、導入物外径:Dがφ10mmの時、Y方向移動量:Yを±6.5mmとした時の、X方向の最大移動量:Xは
X=√((d-D)/2)2-Y2 より
X=√((36-10)/2)2-6.52 となり
X=√126.75=11.25≒11.3 となります。
よって、この時のX方向への最大移動量は ±11.3mm になります。
<XYステージ移動量計算用図面>
| 型式 | 有効内径 |
|---|---|
| KXY-34 | φ16mm |
| KXY-34/70 | φ16mm |
| KXY-70 | φ36mm |
| KXY-70/114 | φ36mm |
| KXY-114 | φ64mm |
※ 表の有効内径は通常の銅ガスケットを用いた場合の数値となります。
※ 有効内径は使用されるガスケットの種類によって異なります。
![]() |
![]() |
![]() |
セミ・マニピュレータの機能の一つであるX・Yステージは、取り付けた際の本体の内径と、使用されている導入機器の外径によりX・Y方向への最大移動量が変化します。
以下に示すの計算式に、本体の有効内径と使用、又は導入を予定されている機器の外径寸法を当てることでX、又はY方向への移動量を算出できます。
但し、X(Y)方向移動量が0mmの時、Y(X)の限界移動量は≦12.5mmとなります。
はじめに・・・
・・・とします。 ※有効内径は別記の表をご参考ください。
1. D, dが既知であり、X・Y方向移動量が同じであった時の双方の最大移動量は
例1:有効内径:dがφ36mmあり、導入物外径:Dがφ10mmである時
X・Y両方向を同時に移動した場合の最大移動量:X・Yは・・・
X=Y=((d-D)/2)/√2 より
X=Y=((36-10)/2)/√2 となり
X=Y=9.19≒9.2 となります。
よって、この場合のX・Y方向最大移動量は ±9.2mm になります。
<XYステージ移動量計算用図面>
2. D, dが既知で、X≠Yで、且つY方向移動量が既知である時のX方向最大移動量は
※ X方向移動量が既知の時は式中のX・Yを入れ替えてください。
例2. 有効内径:dがφ36mmあり、導入物外径:Dがφ10mmの時、Y方向移動量:Yを±6.5mmとした時の、X方向の最大移動量:Xは
X=√((d-D)/2)2-Y2 より
X=√((36-10)/2)2-6.52 となり
X=√126.75=11.25≒11.3 となります。
よって、この時のX方向への最大移動量は ±11.3mm になります。
<XYステージ移動量計算用図面>
| 型式 | 有効内径 |
|---|---|
| KSM-34 | φ16mm |
| KSM-34/70 | φ16mm |
| KSM-70 | φ36mm |
| KSM-70/114 | φ36mm |
| KSM-114 | φ64mm |
※ 表の有効内径は通常の銅ガスケットを用いた場合の数値となります。
※ 有効内径は使用されるガスケットの種類によって異なります。
![]() |
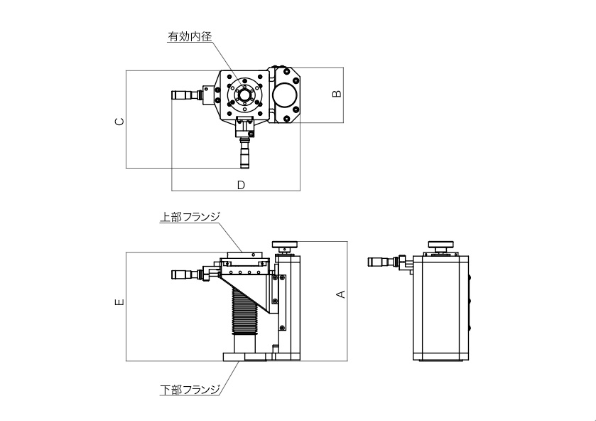
| KTJ-34 | |||
|---|---|---|---|
| 仕様 | 重量 | - (kg) | |
| 許容リーク量 | ≦1.33×10-11(Pa・m3/sec) | ||
| 許容加熱温度 | ≦ 200 (℃) | ||
| 有効傾斜角度 | 全方位 10 (°) | ||
| 有効内径 | φ17 (mm) | ||
| 接続フランジサイズ | 上部 | ICF-34 FT | |
| 下部 | ICF-70 FH | ||
| 駆動方式 | ベローズ方式 (SUS316) | ||
|
CAD図面
(DXFファイル EXE形式) |
|||
| 見積もり | |||